0
0
Всі представлені в каталозі моделі верстатів та обладнання є нашими розробками та ВИРОБЛЯЮТЬСЯ ВИКЛЮЧНО ПІД ТОРГОВОЮ МАРКОЮ EVOLUTIONER™ 

Верстат для виготовлення гофроколіна електричний ЕВОЛЮЦІОНЕР™

Знятий з виробництва
Відгуки:
(0)

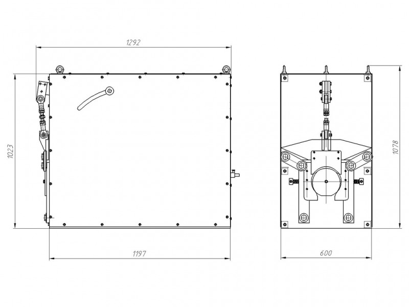
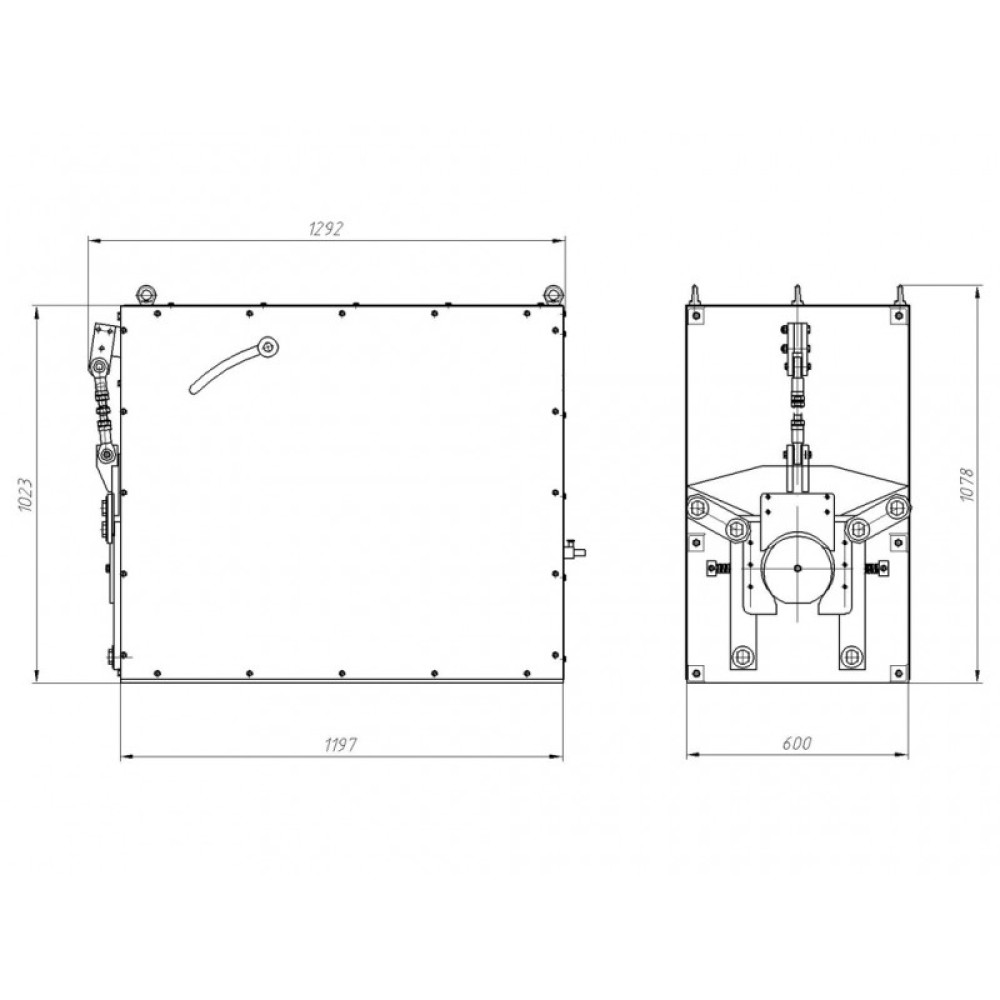
Вага: 351кг
Размір (ДхШхВ): 100см x 70см x 70см
170 000.00 грн.
Знайшли дешевше?
  • Огляд товару
  • Характеристики
  • Відео
  • Відгуки (0)
  • Питання (0)
Верстат для виготовлення гофроколіна універсальний призначений для виготовлення гофроколіна  на трубах круглого і прямокутного перерізу при виробництві водостічних і вентиляційних систем різної геометрії і розмірів. Гофроколіно має прекрасний декоративний вигляд. За своїм технічним виконанням верстат є автоматичним, не використовує пневматики, повністю електромеханічний; працює від напруги 380 В при температурі від - 5 до 45 град., споживає 1,5 кВт/година; не вимагає спеціального приміщення. Цей верстат втілює в собі, з одного боку, простоту використання, з іншого боку, якість виробів, що випускаються.

Верстат кколінозгин є новітнім верстатом, запущеним у виробництво в 2011 році. На верстаті можливе виготовлення гофрованого коліна на трубах різних перерізів за рахунок заміни оснащення (робочого інструменту).


На відміну від старих моделей аналогічних верстатів для виробництва гофрованого коліна на трубах водостічних і вентиляційних системах, що представлені на українському ринку, на одному верстаті можна виготовляти широкий асортимент колін з різними діаметрами. У верстаті проводиться зміна інструменту для кожного діаметру впродовж 10-15 хвилин. Після зміни інструменту не потрібно ніяке додаткове налаштування, з огляду на те, що набір інструменту виконаний блочно, і верстат відразу після встановлення нового інструменту готовий до роботи. Це дозволяє за допомогою одного верстата виготовляти широкий асортимент виробів і, відповідно, знизити витрати на купівлю обладнання і зменшити собівартість отриманих виробів.


На цьому верстаті можна виготовляти коліна (гофроколіна) з міді, нержавіючої сталі (якщо навіть є зварений шов), зі сталі з лакофарбовим покриттям. За своїм технічним виконанням верстат для виготовлення гофроколіна є автоматичним. Отримане в процесі виробництва гофроколіно (коліно) має прекрасний декоративний вигляд. Може використовуватися не тільки в водостічній системі, а й для систем вентиляції.

Комплектація стандартна

  • Універсальний верстат для виготовлення гофроколіна
  • Паспорт і керівництво з експлуатації
  • Насадки для виготовлення різноманітних діаметрів гофроколіна (3шт.)

Додаткова комплектація

У додатковий комплект поставки можуть входити насадки для виготовлення додаткових діаметрів (кількість насадок не обмежена).

Теги: гофроколено, коленогиб

Характеристики
Матеріал
Товщина матеріалу (мм) 0,7
Для круглої заготовки
Діаметр заготовки (мм) 40-200
Електрична частина
Електроживлення (В) 380
Відео
Відгуки (0)

Відгуків про цей товар ще не було.

Питання (0)

Немає питань про даний товар, станьте першим і задайте своє питання.

Ви дивилися
Знятий з виробництва
0
170 000.00 грн.
Знятий з виробництва
2
67 000.00 грн.
Знятий з виробництва
0
200 000.00 грн.
Хіт продажів
0
140 000.00 грн.
1
70 000.00 грн.
Модули для Opencart