0
0
Все представленные в каталоге модели станков и оборудования являются нашими разработками и производятся исключительно ПОД ТОРГОВОЙ МАРКОЙ EVOLUTIONER™ 

Зиговка электрическая многоскоростная ЗМЭ

Отзывы:
(4)

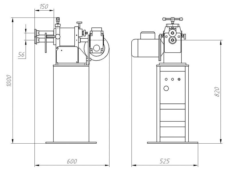
Вес: 81кг
Размер (ДхШхВ): 100см x 20см x 70см
100 000.00 грн.
Нашли дешевле?
Купить в один клик
Введите номер телефона и мы перезвоним
  • Обзор товара
  • Характеристики
  • Видео
  • Отзывов (4)
  • Вопросы (2)
  • Похожие товары

Зиговка электрическая используется жестянщиками, вентиляционщиками, дымоходчиками и другими специалистами работа которых связана с изготовлением труб из листового металла различной толщины и различных диаметров.  Зиг машина предназначена для обработки краев труб, давая возможность после проведения необходимых операций соединять трубы либо же монтировать их в сложные системы.

Наша электрическая зиговка для удобства работы комплектуется педалью. Это дает возможность оператору зиг машины держать обрабатываемую трубу двумя руками вместо одной, увеличивая производительность и эффективность зиговочного процесса.

Комплектация зиговичной машины

В стандартном варианте зиговка электрическая поставляется  в односкоростной конфигурации, но используя разнообразные ролики для выполнения различных операций заказчики очень часто сталкиваются с необходимостью регулирования скоростного режима под свои задачи. Для этого у нас предусмотрена возможность установки частотного преобразователя на зигмашину, который дает возможность регулировать скорость вращения роликов согласно требований заказчика.

Возможно изготовления как односкоростного так и многоскоростного варианта зиг машины

В стандартном исполнении электрическая зиговка поставляется с четырьмя парами роликов, которые дают возможность использовать ее для операций гофрирования, зигования и изготовления сборного колена. Но, благодаря наличию широкого ассортимента дополнительных роликов, функциональны возможности зиговки можно существенно расширить. Для этого достаточно выбрать необходимые ролики в соответствии с нашим каталогом и заказать у нас их изготовление.

Варианты роликов для зиговочного станка

РОЛИКИ ДЛЯ ГОФРУВАННЯ
РОЛИКИ ДЛЯ ГОФРИРОВАНИЯ
 
РОЛИКИ ГОФРО+РЕБРО ЖОРСТКОСТІ
РОЛИКИ ГОФРО+РЕБРО ЖЕСТКОСТИ
 
ВІДБОРТУВАЛЬНІ РОЛИКИ
ОТБОРТОВОЧНЫЕ РОЛИКИ
 
РОЛИКИ ВІДРІЗНІ
РОЛИКИ ОТРЕЗНЫЕ
 
РОЛИКИ ДЛЯ ЗБИРАННЯ СЕГМЕНТНИХ ВІДТВОДІВ
РОЛИКИ ДЛЯ СЕГМЕНТНЫХ ОТВОДОВ
 
ДЛЯ ПРОКАТУ РЕБЕР ЖОРСТКОСТІ
ДЛЯ ПРОКАТКИ РЕБЕР ЖЕСТКОСТИ
 
РОЛИКИ ГЛАДКІ
РОЛИКИ ГЛАДКИЕ
 
РОЛИКИ СКОШЕНІ ВІДБОРТУВАЛЬНІ
РОЛИКИ СКОШЕННЫЕ ОТБОРТОВОЧНЫЕ
 
ДЛЯ ВІДБОРТУВАННЯ БЕЗ УПОРУ
ДЛЯ ОТБОРТОВКИ БЕЗ УПОРА
 
РОЛИКИ ДЛЯ ВІДБОРТУВАННЯ 2
РОЛИКИ ДЛЯ ОТБОРТОВКИ
 
РОЛИКИ ДЛЯ ВИГОТОВЛЕННЯ ФАЛЬЦЯ
РОЛИКИ ДЛЯ ИЗГОТОВЛЕНИЯ ФАЛЬЦА
 
ДЛЯ ВІДБОРТУВАННЯ З УПОРОМ
ДЛЯ ОТБОРТОВКИ С УПОРОМ
 
РОЛИКИ ДЛЯ ЗАВАЛЬЦІЮВАННЯ
РОЛИКИ ДЛЯ ЗАВАЛЬЦОВКИ
 
ДЛЯ ГВИНТОВИХ З'ЄДНАНЬ
ДЛЯ ВИНТОВЫХ СОЕДИНЕНИЙ
 
ДЛЯ ПРЯМОКУТНОГО ПОДВІЙНОГО ЗІГУ
ДЛЯ ПРЯМОУГОЛЬНОГО ДВОЙНОГО ЗИГА
 
ДЛЯ ПРЯМОКУТНОГО ЗІГУ ОДИНАРНИЙ
ДЛЯ ПРЯМОУГОЛЬНОГО ОДИНАРНОГО ЗИГА
 
ДЛЯ ПРОКАТУ РЕБЕР ЖОРСТКОСТІ 2
ДЛЯ ПРОКАТА РЕБЕР ЖЕСТКОСТИ 2
 
ДЛЯ ПОДВІЙНОГО S-ОБРАЗНОГО ЗІГУ
ДЛЯ ДВОЙНОГО S-ОБРАЗНОГО ЗИГА
 
ДЛЯ ПОДВІЙНОГО В-ОБРАЗНОГО ЗІГУ
ДЛЯ ДВОЙНОГО В-ОБРАЗНОГО ЗИГА
 
Ролики на зиг машину, в зависимости от конфигурации, могут производиться как термически обработанными, так и из сырого металла. Все зависит от операций, планирующих выполнять с помощью этих роликов на зиг машине. Наши специалисты помогут Вам определиться с выбором и всегда предоставят полную информацию и технические характеристики по необходимым Вам роликам на электрическую зигмашину.


Наше предприятие специализируется на изготовлении оборудования для работы с листовым металлом и в частности на изготовлении электрических зигмашин на протяжении более 10 лет. У нас есть много готовых решений, которые помогут Вам выполнить все необходимые задачи обработки труб и листового металла. Для более подробной информации по нашей зиговочным станкам свяжитесь с нашим менеджером по контактному телефону, указанному на сайте.

Характеристики
Материал
Толщина материала (мм) 1,2
Техническая информация
Тип привода Электрический
Для круглой заготовки
Вылет роликов (мм) 200
Видео
Отзывов (4)
Олександр
Олександр
06.12.2023
Замовляли для виробництва утеплених димоходiв,в серединi нiрж 0.8,катаэ навiть через фальць упевнено,ну а за кожух з 0.5 зовсiм як навiть фальцю i немаэ,дякую вам велике!
Илья Днепр
Илья Днепр
13.05.2020
Отличная зиговка! Долго решался на покупку станка, а он взял и окупился за один хороший заказ))
Виталий ГОРЛОВКА
Виталий ГОРЛОВКА
13.09.2017
.....а нафига тратить электричество на зиговку? Ручной станок для зиговки ЭВОЛЮЦИОНЕР вполне справляется с задачей.
А если сранить цену на зиговку......
Ответ администратора
Здравствуйте. Выбор станка зависит от его производительности.
Ашот
Ашот
13.08.2017
Для больших объемов изготовления водосточных труб из стали самое оно. Отличный сервис, приятные цены. Вы большие молодцы! Очень приятно с Вами работать
Вопросы (2)
Вопрос от: Андрій 12.04.2025

для металу товщиною 2мм підійде?

Ответ:

Доброго дня. Дана зіг машина працює з максимальною товщиною металу до 1.2мм

Вопрос от: Дрилл 02.12.2024

При багатошвидкісному варіанті чи регулюється швидкість зігування педаллю?

Ответ:

Доброго дня
Регулювання швидкості на зіг машині відбувається за допомогою тублера, він має 4 позиції, регулювання можливе від 5 до 30 обертів на хвилину. Разом зі станком ми надамо детальний паспорт де буде описаний процес регулювання

Вы смотрели
4
100 000.00 грн.
Снят с производства
1
80 000.00 грн.
Снят с производства
0
90 000.00 грн.
Снят с производства
0
120 000.00 грн.
Снят с производства
0
55 000.00 грн.
Модули для Opencart